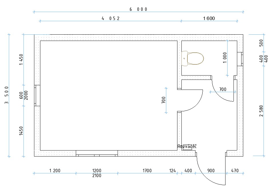
Kancelářsky modul 6×3,5 m

Cena na klíč

cena na klíč – 355 000,- CZK včetně DPH

Základní parametry

Obytné místnosti: 1
Celková užitná plocha: 18 m2
Zastavěná plocha: 21 m2
Průměrná spotřeba tepla: 0,26 W (m2. K)
Energetická třída: B – úsporná

Pohledy a půdorys

TOP